Deprecated: Unparenthesized `a ? b : c ? d : e` is deprecated. Use either `(a ? b : c) ? d : e` or `a ? b : (c ? d : e)` in /www/wwwroot/www.hjwater-treatment.com/components/com_ecproduct/src/Model/CategoryModel.php on line 883

200000LPH EDI Water Plant National Electronic Water Grade I

  • Place of Origin:Guangdong, China (Mainland)
  • Brand Name:HJ
  • Certification:ISO 9001,CE
  • Model Number:Customized
  • Minimum Order Quantity:1 Unit/Units
  • Price:Negotiable
  • Packaging Details:Carton or Wooden case
  • Delivery Time:7-10days after payment arrived
  • Payment Terms:7-10days after payment arrived
  • Supply Ability:1000 sets per year
Contact Now Chat Now

200000LPH EDI Water Plant National Electronic Water Grade I

Description

Name: EDI Water Plant

Capacity: 0.3-200000LPH

Raw Water: Tap Water

Outlet Water's Silica: 5~20ppb

Outlet Water's Resistivity: 16~18.2MΩ.cm

Outlet Water's PH: 7.0±0.2

High Light: 200000LPH EDI Water Plant, 20ppb EDI Water Plant

National Electronic Grade Water Grade I Standard High Purity Water EDI Water Plant

 

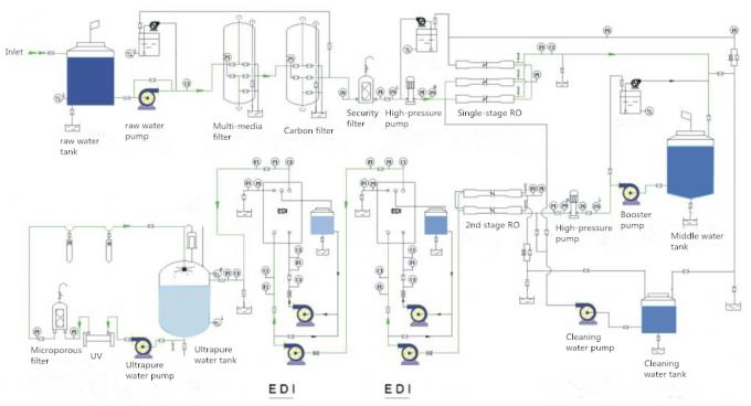
EDI technology realizes the organic combination of electrodialysis and ion exchange technology, and retains the advantages of continuous desalination of electrodialysis and deep ion exchange desalination. The amount of ion exchange resin is small, and compared with ordinary ion exchange resin, it can save more than 95% of resin; no need Acid-base regeneration is widely used in the fields of medicine, electronics, electric power and so on.

 

EDI Features

1) Continuous operation, stable effluent quality

2) Easy to realize automatic control

3) No need for acid and alkali regeneration

4) No downtime due to regeneration

5) Saved water and reclaimed sewage treatment facilities

6) High water production rate (up to 95%)

7) Small footprint

8) Reduce operation and maintenance costs

9) Simple installation, low operating cost,

 

EDI Technical Parameters

1686122031670015.png

Process Flow

1686122044311167.jpg

1686122047103538.jpg

 

Tag: edi water treatment plant, electrodeionization water treatment, edi water treatment system